
霍爾傳感器
聯系我們


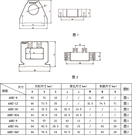
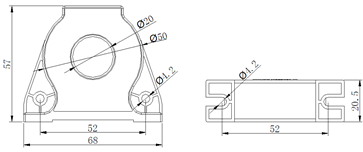
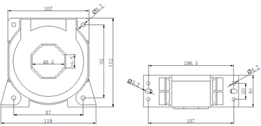
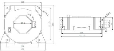
霍爾傳感器
霍爾電流傳感器主要適用于交流、直流、脈沖等復雜信號的隔離轉換,通過霍爾效應原理使變換后的信號能夠直接被AD、DSP、PLC、二次儀表等各種采集裝置直接采集和接受,響應時間快,電流測量范圍寬精度高,過載能力強,線性好,抗干擾能力強。
應用范圍:
適用于電流監控及電池應用、逆變電源及太陽能電源管理系統、直流屏及直流馬達驅動、電鍍、焊接應用、變頻器,UPS伺服控制等系統電流信號采集和反饋控制。訂貨范例:
具體型號:AHKC-EKAA DC300A/4-20mA● 開口式開環霍爾電流傳感器

● 閉口式開環霍爾電流傳感器

● 閉環霍爾電流傳感器

● 直流漏電流傳感器

● 開口式開環霍爾電流傳感器

● 閉口式開環霍爾電流傳感器

● 閉環霍爾電流傳感器
◆ AHBC-LTA

◆ AHBC-LT1005

◆ AHBC-LF

● 直流漏電流傳感器




工程案例
MORE+